产品中心

PRODUCT

产品中心

HG1系列熔断器式隔离器

如果您有任何问题可以联系我们!
联系我们

电话:18868286678

扫一扫,加我为朋友
  • 详细信息
详细信息
HG1系列熔断器式隔离器

HG1系列熔断器式隔离器,隔离开关



开关简介
HG1系列熔断器式隔离器(以下简称隔离器)适用于额定电压交流380V(50Hz),约定发热电流至63A,具有高短路电流的配电回路和电动机回路中作为电源隔离器,并作为电路保护之用。
隔离器适用于下列工作条件:
a.周围空气温度不超过+40℃,24h的平均值不超过+35℃,最低温度一般不低于-5℃。
b.海拔一般不超过2000m。
c.大气相对湿度在周围空气温度为+40℃时不超过50%,在较低温度下允许有较高的相对湿度;最湿月的月平均最大相对湿度为90%,同时该月的平均最低温度为+25℃。
d.环境中无持久性的导电性污染,例如由导电尘埃或雨雪所造成的污染。
e.隔离器的安装类别为Ⅲ类(参见GB1497-85)。
f.隔离器适用于8小时工作制和长期工作制(镀锡触头仅适用于8小时工作制)。
g.隔离器应垂直安装在无显著摇动和冲击振动的地方。

型号及含义
HG1系列熔断器式隔离器,隔离开关参数
主要技术参数
3.1主电路的技术数据如下
额定工作电压(V) 额定工作电流(A) 额定熔断短路电流 机械寿命(次) 配用熔断器尺码
交流有效值(kA) COSф
380 32 50 0.25 3000 14×51
63 22×58
3.2隔离器的辅助触头为一组或二组常开触头,主要技术数据如下:
额定电压:交流380V;
额定工作电流:6A;
额定控制容量:300VA;
额定接通和分断能力:380V,使用类别Ac-11;
额定熔断短路电流:1000A。
3.3熔断信号装置的微动开关(KWX型)主要技术数据;
额定电压:交流220V;
额定工作电流:1A。
使用与维护
4.1隔离器应垂直安装,安装时可取下接线罩。
4.2隔离器应配用符合JB4011-85《低压熔断器》标准的圆筒形帽熔断器。
4.3隔离器的插座应经常检查、清理灰尘和油污杂物,使其动作灵活,接触良好。
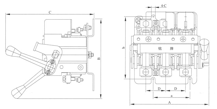
外形与安装尺寸
HG1系列熔断器式隔离器,隔离开关参数
型号 外形尺寸(mm) 外形尺寸(mm)
A B C D a b фc
HG1-32/30 120 142 132 26 50 115 ф7
HG1-63/30 140 135 155 35 65 110 ф7
相关产品
© 浙江正宇电器有限公司   浙ICP备18057434号-1   XML   网站地图   网站制作维护:传信网络

微信
咨询

扫一扫,加我为朋友
扫一扫,加我为朋友

服务
热线

18868286678
服务热线