产品中心

PRODUCT

产品中心

HH15系列隔离开关熔断器组

如果您有任何问题可以联系我们!
联系我们

电话:18868286678

扫一扫,加我为朋友
  • 详细信息
详细信息
HH15系列隔离开关熔断器组

HH15系列隔离开关熔断器组,隔离开关


适用范围
HH15(QSA)系列隔离开关熔断器组,HH15A(QA)、HH15P(QP)系列隔离开关,HH15S(QSS)、HH15AS(QAS) HH15PS(QPS)系列双投转换开关(以下简称开关),主要适用于具有高短路电流的配电电路和电动机电路中,作为手动不频繁操作的主开关或总开关。当中QSA系列开关可作电路短路保护之用。
开关符合GB14048.3、IEC60947.3标准,广泛用于较高级的抽屉式低压成套装置中。
型号含义
HH15系列隔离开关熔断器组,隔离开关参数
正常工作条件
l、周围空气温度不高于+40℃,不低于-5℃,24h内的平均温度不超过+35℃。
2、安装地点的海拔不超过2000m。
3、在周围空气温度为+40℃时相对湿度不超过50%,最湿月的月平均最大相对湿度为90%,同时该月的月平均最低温度为+25℃,并考虑到因温度变化发生在产品表面上的凝露。
4、周围环境污染等级为3级。
5、安装类别为IV类。

开关结构特征
l、隔离开关采用正面旋转操作方式,由操作机构、触头系统、手柄等组成。
2、隔离开关采用全封闭式结构,静触头及灭弧系统均组装在由新型耐弧工程塑料制成的壳体内,并装有快速操作机构,开关闭合和分断的速度与操作者的动作速度无关,因而保证操作人员及设备的安全。
3、隔离开关具有独特性能的触头系统,动触头系统均由四个压缩弹簧的铜滚柱组成,每个滚柱都能单独滚动,从而更有效地防止触头熔焊的发生;发生故障时触头压力随电流的增大而增加,能承受较大的短路电流。
4、操作手柄可安装在开关柜门上,当柜门关上时手柄即与开关的操纵杆楔合,当开关处于闭合位置时,手柄与柜门联锁,可防止柜门的打开。

主要技术参数
1、HH15(QSA)系列隔离开关熔断器组的主要参数(见表1)
2、HH15A(QA)系列隔离开关的主要参数(见表2)
3、HH15P(QP)系列隔离开关的主要参数(见表3)
4、双投转换开关的主要参数参照相应的单投开关
5、额定绝缘电压Ui:660V
6、额定工作电压Ue:AC380V、660V
7、额定频率:50Hz
8、额定接通能力(Ar.m.s):10Ie
9、额定分断能力(Ar.m.s):8Ie
10、辅助开关约定发热电热电流(AC-15):5A
表1:HH15(QSA)系列隔离开关熔断器组的主要参数

约定自由空气发热电流Ith(A) 63 125 160 250 400 630 800
额定工作电流Ie(A) 380V/AC-23B 63 125 160 250 400 630 800
660V/AC-22B 63 100 160 250 315 425 500
额定限制短路电流(kA r.m.s) 50 50 50 50 50 50 50
机械寿命(次) 1700 1400 1400 1400 800 800 500
电寿命(次) 300 200 200 200 200 200 100
选用熔断体 380V/AC-23B NT00-63 NT00-125 NT00-160 NT1-250 NT2-400 NT3-630 NT3-800
660V/AC-22B NT00-63 NT00-100 NT00-160 NT1-250 NT2-315 NT3-425 NT3-500
操作力矩(N.m) 7.5 16 30
重量(kg 不含手柄) 1.6 1.7 4.1 4.5 4.7 14.0 14.5
表2:HH15A(QA)系列隔离开关的主要参数
约定自由空气发热电流Ith(A) 125 200 400 630 1000
额定工作电流Ie(A) 380V/AC-23B 125 200 400 630 1000
660V/AC-21B 125 200 400 630 1000
660V/AC-22B 125 160 315 425 630
额定短路接通能力(kA r.m.s) 20 20 50 50 50
额定短时耐受电流(kA r.m.s) 4 4 15 15 15
机械寿命(次) 1400 1400 800 800 500
电寿命(次) 200 200 200 200 100
操作力矩(N.m) 7.5 16 30
重量(kg 不含手柄) 1.5 1.6 4.1 4.3 11.7

表3:HH15P(QP)系列隔离开关的主要参数
约定自由空气发热电流Ith(A) 250 630 1000 1250 1600 2500 3150
额定工作电流Ie(A) 380V/AC-23B 250 630 1000 1250 1600 2500 3150
660V/AC-21B 250 630 1000 1250 1600 2500 3150
660V/AC-22B 250 630 630 800 800 / /
额定短路接通能力(kA r.m.s) 39 60 60 85 85 130 130
额定短时耐受电流(kA r.m.s) 8 32 32 50 50 80 80
机械寿命(次) 1400 800 500 500 500 300 300
电寿命(次) 200 200 100 100 100 100 100
操作力矩(N.m) 7.5 16 30 70
重量(kg 不含手柄) 1.9 5.0 5.4 14.0 14.5 49.0 52.5

HH15系列隔离开关熔断器组



表4 HH15(QSA)-63-800A的外形与安装尺寸
产品型号 外形尺寸(mm) 外形尺寸(mm) 端子尺寸
A B C D E F L R S T X
HH15(QSA)-63/2 120 100 168 98 90 6.5 238-280 12 6 2 M5
HH15(QSA)-63/3 155 100 168 133 90 6.5 238-280 12 6 2 M5
HH15(QSA)-125/2 120 116 168 98 90 6.5 238-280 15 7.5 3 M6
HH15(QSA)-125/3 155 116 168 133 90 6.5 238-280 15 7.5 3 M6
HH15(QSA)-160/2 187 146 190 100 128 7.0 320-370 20 10 4 M8
HH15(QSA)-160/3 240 146 190 100 128 7.0 320-370 20 10 4 M8
HH15(QSA)-250/2 195 160 210 100 128 7.0 320-370 25 12.5 4 M10
HH15(QSA)-250/3 248 160 210 100 128 7.0 320-370 25 12.5 4 M10
HH15(QSA)-400/2 195 160 210 100 128 7.0 320-370 25 12.5 6 M10
HH15(QSA)-400/3 248 160 210 100 128 7.0 320-370 25 12.5 96 M10
HH15(QSA)-630/2 256 270 253 226 214 9.0 335-380 40 20 6 M12
HH15(QSA)-630/3 344 270 253 314 214 9.0 335-380 40 20 6 M12
HH15(QSA)-800/2 256 350 253 226 214 9.0 335-380 50 20/40 6 2-M12
HH15(QSA)-800/3 344 350 253 314 214 9.0 335-380 50 20/40 6 2-M12


表5 HH15A(QA)-125-1000A的外形与安装尺寸
产品型号 外形尺寸(mm) 外形尺寸(mm) 端子尺寸
A B C D E F L R S T X
HH15A(QA)-125/2 120 116 130 98 90 6.5 230-280 15 7.5 3 M6
HH15A(QA)-125/3 155 116 130 133 90 6.5 230-280 15 7.5 3 M6
HH15A(QA)-200/2 120 128 130 198 90 6.5 230-280 20 10 3 M8
HH15A(QA)-200/3 155 128 130 133 90 6.5 230-280 20 10 3 M8
HH15A(QA)-400/2 187 160 152 100 128 7.0 320-370 25 12.5 4 M10
HH15A(QA)-400/3 240 160 152 100 128 7.0 320-370 25 12.5 4 M10
HH15A(QA)-630/2 187 170 152 100 128 7.0 320-370 30 15 6 M10
HH15A(QA)-630/3 240 170 152 100 128 7.0 320-370 30 15 6 M10
HH15A(QA)-1000/2 256 270 190 226 214 9.0 335-380 40 20 6 M12
HH15A(QA)-1000/3 344 270 190 314 214 9.0 335-380 40 20 6 M12

HH15系列隔离开关熔断器组



表6 HH15(QP)-250-1600A的外形与安装尺寸
产品型号 外形尺寸(mm) 外形尺寸(mm) 端子尺寸
A B C D E F L R S T X
HH15P(QP)-250/2 120 142 130 98 90 6.5 238-280 25 12.5 4 M10
HH15P(QP)-250/3 155 142 130 133 90 6.5 238-280 25 12.5 4 M10
HH15P(QP)-630/2 187 170 152 100 128 7.0 320-370 30 15 5 M10
HH15P(QP)-630/3 240 170 152 100 128 7.0 320-370 30 15 5 M10
HH15P(QP)-1000/2 187 220 152 100 128 7.0 320-370 40 20 6 M12
HH15P(QP)-1000/3 240 220 152 100 128 7.0 320-370 40 20 6 M12
HH15P(QP)-1250/2 256 350 190 226 214 9.0 335-380 40 20 10 2-M12
HH15P(QP)-1250/3 344 350 190 314 214 9.0 335-380 40 20 10 2-M12
HH15P(QP)-1600/2 256 350 190 226 214 9.0 335-380 50 20 10 2-M12
HH15P(QP)-1600/3 344 350 190 314 214 9.0 335-380 50 20 10 2-M12

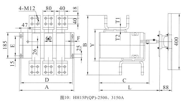
4、HH15P(QP)-2500、3150A的外形与安装尺寸(见图10、表7)

表7:HH15P(QP)-2500、3150A的外形与安装尺寸
产品型号 外形尺寸(mm) 外形尺寸(mm) 端子尺寸
A B C D E F L Y T1 T2
HH15P(QP)-2500/3 390 416 360 368 142 9.0 505-550 226 12 8
HH15P(QP)-3150/3 390 424 360 368 142 9.0 505-550 230 14 10

5、双投转换开关由两台相应的单投开关在底板上左右并排组装而成,其外形与安装尺寸(见表8、图11)
表8:双投转换开关的外形与安装尺寸
产品型号 外形尺寸(mm) 外形尺寸(mm)
A B C D E F L
QSS-63.125;QAS-125.200;QPS-250 430 170 192 385 118 9 220-280
QSS-160.250;QAS-400.630;QPS-630.1000 630 190 242 588 128 9 300-380
QSS-630.800;QAS-1000;QPS-1250-3150 950 263 254 908 180 9 400-480


6、面板开孔尺寸(见图12)

1、安装深度
安装深度指安装板(脚)至面板表面的距离,安装尺寸中“L”为开关出厂时正常给定的安装深度,若用户要求“L”以外的安装深度时,请在订货时说明。
2、安装顺序
如图所示,开关安装顺序为 开关本体→操纵方轴→柜门面板→操作手柄,安装时手柄应处于水平位置,并指示“0”位。

3、调整方轴的深度
根据开关到柜门面板的距离,在安装深度L值的范围内调整方轴的深度(若距离较小,低于L值中最小值,可将方轴锯掉一部份),调定后锁紧固定螺栓。
4、安装手柄
根据方轴的轴中心或通过开关外形与安装尺寸的计算,确定手柄的安装中心位置,并按面板开孔尺寸(见图12)在柜门面板上开孔,然后将手柄固定在柜门面板上。
5、双投转换开关中方轴的装配
如图所示:
1)将一圈套套在方轴上,并保证尺寸C不小于表8中C值,然后拧紧圈套上的紧固螺钉;
2)将方轴垂直穿入支架中心孔,把另一圈套自下向上套入方轴,再将方轴下端穿入齿轮孔,然后将下圈套端面贴近支架中心孔下端面后拧紧螺钉。
【注意装配前应使两边开关均处于断开“0”位置)

使用与维护
1、开关应水平安装,安装前应使开关处于断开位置。对于QSA系列开关,应配用NT型熔断器,其性能应符合GB13539.1和GB13539.2的要求,且所配熔断嚣应具有相应的额定电流和短路分断能力。当开关用于电动机电路时,允许熔断器额定电流大于开关的约定发热电流。
2、首次使用QSA系列开关时,应先将配套的绝缘隔板依次插好,再装人熔断器并插人到位。
3、顺时钟旋转操作手柄,可使开关闭合;逆时钟旋转操作手柄,可使开关断开。每次操作前,应注意开关的指示状态,在分断位置0时,开关只能顺时钟操作使其闭合,在闭合位置I时,开关只能逆时钟操作使其断开。 .
4、开关的操作手柄及其机构具有保护功能;开关闭合时,柜门不能打开;柜门打开时,开关不能闭合。
5、为防止无关人员的误操作.不管开关处于什么位置,都可用挂锁锁住:将手柄上方颜色不同的联锁件拉出用挂锁锁住,手柄便不能再转动。
6、柜门的紧急开启:当由于某种原因,开关闭合后手柄再无法转到分断位置,同时柜门也不能打开时,则用直径小于2.5mm的钢丝顶进方形手柄座侧面的一个小圆孔内,使钢丝推动手柄中的固定板并同时开门,柜门便可打开。
7、开关可装l~2个辅助开关,每个辅助开关具有一常开一常闭两组触头,对于QSA-63~400、QA-125~630、QP-250~1000,辅助开关直接装在开关面板上的支持件上:对于QSA-630、800、QA-1000、QP-1250~3150,辅助开关装在开关的两侧面上,并用固定片将其固定。
用户须知
1、QSA系列开关必须与熔断器配套使用,熔断器可由用户自备,但请选用较好的熔断器,以防温升偏高。
2、我公司所提供的开关价格是不含熔断器的,若用户在订货时提出.我公司可配套提供熔断器,但一般不装在开关本体上。
3、用户打开包装时,请查看以下配件:
a)开关本体:1台 b)绝缘隔板:5块(QSA专用)
c)方轴、手柄:1套 d)合格证、说明书:1份
相关产品
© 浙江正宇电器有限公司   浙ICP备18057434号-1   XML   网站地图   网站制作维护:传信网络

微信
咨询

扫一扫,加我为朋友
扫一扫,加我为朋友

服务
热线

18868286678
服务热线