网站首页
关于我们
公司简介
资质证书
产品中心
隔离开关系列
刀开关系列
熔断器式隔离开关
熔断器式刀熔开关
灭弧罩
双电源自动转换开关
新闻资讯
公司新闻
行业动态
产品应用
资料下载
联系我们
首页
关于我们
公司简介
资质证书
产品中心
隔离开关系列
刀开关系列
熔断器式隔离开关
熔断器式刀熔开关
灭弧罩
双电源自动转换开关
新闻资讯
公司新闻
行业动态
产品应用
资料下载
联系我们
产品中心
PRODUCT
产品中心
首页
-
产品中心
-
隔离开关系列
-
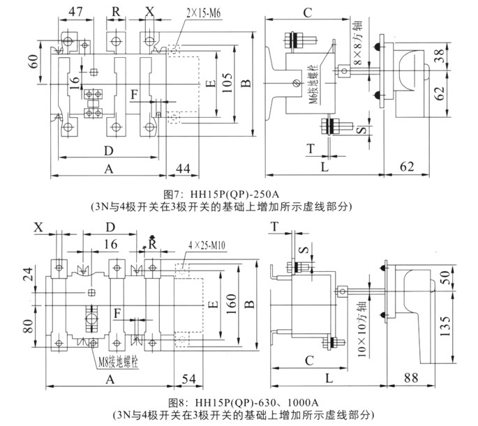
熔断器组低压负荷隔离开关HH15(QP)-1600/3隔离开关
熔断器组低压负荷隔离开关HH15(QP)-1600/3隔离开关
如果您有任何问题可以联系我们!
联系我们
电话:18868286678
扫一扫,加我为朋友
详细信息
详细信息
熔断器组 单投带体刀开关HH15(QA)-400/3 隔离开关
HGL-125/3型手动转切换开关低压负荷隔离开关
返回
相关产品
HD11FA防误型隔离器
HGL负荷隔离开关
熔断器组刀熔开关HH15(QP)-250/3 隔离开关
负荷隔离开关HH15(QSA)-250/3 隔离开关熔断器组
手动转切换开关 厂家畅销 隔离开关
手动转切换开关 低压负荷 隔离开关
© 浙江正宇电器有限公司
浙ICP备18057434号-1
XML
网站地图
网站制作维护:
传信网络
微信
咨询
扫一扫,加我为朋友
服务
热线
18868286678
服务热线